







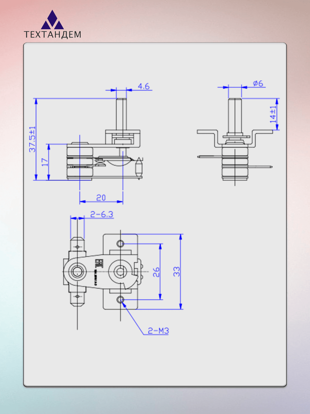
Термостат регулируемый биметаллический KST 8...
Описание: Биметаллический регулируемый термостат с диапазоном регулирования +25…+250°С. Нормально-замкнутые контакты - при достижении установленной температуры контакты размыкаются. Вращение вала - 270°. Номинальный ток через контакты - 16A при 250В АС. Характеристики: -Номинальная нагрузка на контакты 16А/250В, 50Гц -Диэлектрическая прочность изоляции при испытательном напряжении 2000В, ток утечки равен 0,5 мА/1 сек -Угол поворота вала (оперативный угол) 270°±5° -Температура размыкания контакта при максимальном угле поворота вала 250°±10°С -Угол поворота вала, при котором происходит замыкание контакта (+25°C) 50°±20° -Гистерезис 7К
